| Re: Programmierung Daten über 1 Draht Kategorie: Programmierung C (von fraju - 13.11.2011 0:01) | |
|
Als Antwort auf Re: Programmierung Daten über 1 Draht von Manfred - 12.11.2011 18:47
| |
|
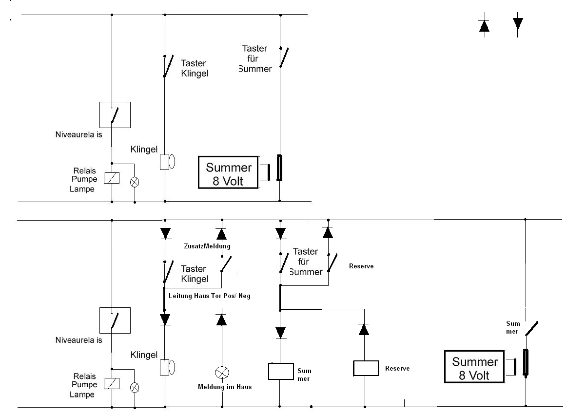
> > > > > > > > Meine Frage ist noch die gleiche. > > > > Mache mal eine kleine Zeichnung wie bis jetzt alles verschaltet ist. > > > > Fraju > > > > > > > > > > > > Hallo fraju, kanne, Ulli-S > > > > > > Nun ist es endlich soweit. Da es für die Elektrik dieses 4.Stromkreises > > > keine normgerechte Zeichnung gibt, habe ich eine provisorische erstellt. > > > Die Elektrik wurde erst 2 Jahre nach Fertigstellung des Hauses von mir > > > und einem Elektriker erstellt. Alle Stromkreise sind mit FI-Schaltern > > > ausgerüstet und können deshalb nicht gekoppelt werden, da sonst Probleme > > > mit dem FI-Schaltern auftreten. Die eingezeichnete Wasserpumpe wird von > > > einem Druckschalter aus- und eingeschaltet. Für diese fehlt aber die Kontrolle > > > über eine Lampe im Hause. Das ist das Problem. Das im Haus befindliche Relais > > > steuert die Tiefbrunnenpumpe und eine Kontroll-Lampe in einem anderen Stromkreis. > > > Weil die Stromkreise nicht miteinander verbunden sein dürfen, werden für den > > > (Taster für Summer) 2 Leitungen benötigt. Die eine davon fehlt mir jetzt > > > für die Wasserpumpenkontroll-Lampe. Die 2. Seite ist ein Lageplan des Grundstücks. > > > Zwischen Summer und (Taster Klingel) und Trafo und Zisterne sind Verbindungsleitungen > > > in Schutzrohren in 60cm Tiefe in Sand und Zement verlegt worden. Leider kann in den > > > vorhandenen Schutzschläuchen kein Kabel nachgezogen werden, da die Leitungen > > > keinen Platz für weitere Kabel zulassen und teilweise sehr scharfkantig > > > um die Ecken verlegt wurden. > > > > > > Gru� Manfred > > > > > > Hallo > > > > Kleine Zeichnung -ist ein Riesenteil geworden ;-))) > > > > Habe mal schnell einen Kl.Plan gemacht, > > Schau ihn dir mal an,sollte so richtig sein. > > > > Bei Klingel und Summer scheint es Einsparpotential zu geben. > > > > Mal sehen wies weitergeht. > > Gru� > > Hallo fraju > Der Plan ist richtig und auch normgerecht. > Ich sehe kein Einsparpotenzial. > Summer, Klingel und Niveaurelais befinden sich am Tor(Grundstücksplan unten). > Taster-Klingel, Taster für Summer , Relais(Pumpe,Lampe) > ist im Haus(Grundstücksplan oben). > Die Leitung in der normgerechten Skizze ganz oben sehe ich als L=Phase. > Die Leitung in der normgerechten Skizze ganz unten sehe ich als als N=Masse. > Diese beiden Leitungen müssen vom Tor zum Haus geführt werden. > Die Leitung zwischen Taster-Klingel und Klingel = 200m. Differenz Tor-Haus > Die Leitung zwischen Taster für Summer und Summer = 200m. Differenz Tor-Haus > Die Leitung zwischen Niveaurelais und Relais(Pumpe,Lampe) = 200m. > Differenz Tor-Haus > Die Zeichnung hat deshalb wie auch meine insgesamt 5 Leitungen > zwischen Tor und Haus. > Ich konnte leider mit den mir zur Verfügung stehenden Programmen > keine Hinweise in deine Zeichnung machen und hoffe das die Erklärung > ausreichend ist. > > Gru� Manfred > > > Hallo Habe mal ein Primitives Prinzip zur Doppelbelegung der Summer und Klingelleitung gemacht. Wenn nicht für dich verständlich ,einfach nachfragen. Gru� Elektrik_Zisterne_Klingel_Pumpe[2].PNG: | |
Antwort schreiben Antworten: | |
Zur Übersicht - INFO - Neueste 50 Beiträge - Neuer Beitrag - Suchen - Zum C-Control-I-Forum - Zum C-Control-II-Forum

